Unlocking Keysight instruments: A comprehensive approach to RF testing

The electronics industry, including wireless communication, aerospace, defense, and automotive, relies heavily on precise Radio Frequency (RF) measurements

Figure 1: Keysight L2053XA

Introduction

 As devices become increasingly smaller and more sophisticated, it is essential to understand complex impedance, reflection, and transmission parameters for optimising RF functionality. Extracting optimal performance from RF components such as filters and resonators requires a deep understanding of capacitance and inductance values. Keysight's comprehensive suite of integrated RF measurement instruments helps engineers test the instruments of their choice accurately and efficiently. In this article, we will concentrate on RF power sensors and Vector Network Analysers introduced by Keysight Technologies, exploring their key instruments and role in mastering RF measurement.

RF Power Sensor

The L2051XA excels with its high accuracy, rapid response, and effortless integration with Keysight's spectrum Analysers and vector network Analysers, facilitating comprehensive power and signal analysis. Its compact design and flawless integration make it the go-to solution for lab and field-testing scenarios. Moreover, its seamless integration with Keysight's BenchVue software simplifies control and data visualization, eliminating the need for intricate programming. Researchers and engineers can use the LAN connectivity and user-friendly interface of L2051XA to delve into precise RF power measurements with unparalleled ease and efficiency. The key features are:

Frequency range10 MHz to 6 GHz
Average mode power range−70dBm to +26 dBm
Connector typeN-type(male)
Maximum power (Damage level)Average: +29 dBm Peak: +32 dBm for <; 10 µs duration Voltage: <;= 10 VDC
Zero and calibrationInternal zero and calibration support
Maximum sampling rate20 Msamples/second continuous sampling
Power linearity at 5 dB stepAverage mode: <; 1.0%
Basic accuracy of average power measurement

<; = ± 0.20 dB or ± 4.5% for <; 30 MHz

<; = ± 0.18 dB or ± 4.0% for >; 30 MHz to <;= 10 GHz

<; = ± 0.18 dB or ± 4.1% for >; 10 GHz to 18 GHz

Maximum SWR1.15 (range is -70dBm to +15dBm @ 10MHz to 6GHz frequency band
Measurement speed50000/sec
Radar and wireless presetsBuilt-in radar and wireless presets for common signals such as DME, GSM, EDGE, WCDMA, WLAN, and LTE
Broadband coverageWireless signals like 5G, LTE, LTE-Advanced with 100 MHz bandwidth, and WLAN 802.11ac with 80/160 MHz bandwidth

Table 1: Key features and specifications of Keysight L2051XA

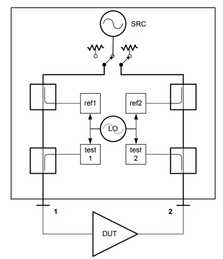
Figure 2: Typical VNA block diagram

Figure 1: Keysight L2053XA(Source)

Applications & use cases: RF power sensors are vital across industries for precise RF power measurement.

  • Wireless Communication Testing: Ensuring cellular, WiFi, and Bluetooth signal quality.
  • RF Amplifier Characterization: optimising amplifier design and performance.
  • Transmitter Testing: Verifying output power levels for signal integrity.
  • Signal Monitoring: Detecting and analyzing RF signals for security and interference detection.
  • Aerospace and Defense: Testing radar, electronic warfare, and satellite systems.
  • RF Component Testing: Evaluating antennas, filters, and couplers.
  • Research and Development: Validating new RF technologies and systems.

To learn more about power sensors, click here.Select from the various ranges offered by Keysight.

Vector Network Analysers - Benchtop, Keysight technologies ENA series(E5063A+E5063A-2H5)

Vector Network Analysers (VNAs) measure electrical network parameters, typically focusing on S-parameters due to their ease of measurement at high frequencies. A VNA allows its user to extract information regarding both the magnitude and phase of a microwave signal using heterodyne receivers. They offer greater accuracy compared to other methods. Their narrowband receivers excel at rejecting broadband noise and spurious tones, improving dynamic range.

Figure 3: Keysight ENA E5063A

Figure 2: Typical VNA block diagram(Source)

You can use the E5063A ENA to measure the performance of simple passive RF components, like antennas, filters, cables, and connectors. The operating frequency range of this affordable benchtop VNA extends up to 18 GHz, making it suitable for various testing needs. The key features are:

Frequency range100 kHz to 500 M/1.5 G/3 G/4.5 G/6.5 G/8.5 G/14 G/18 GHz
Number of points per trace2 to 10,001
Measurement parametersS-parameters (S11, S21, S12, S22)
Measurement functionsTransmission, reflection, gain, return loss, insertion loss, phase, group delay
Impedance measurements50 ohm or 75 ohm
Sweep typesLinear, logarithmic, power sweep
CalibrationConsidering Kit- 85033E (3.5 mm, 50 Ω), Full 2-port
Environmental temperature23 °C (± 5 °C) with <1 °C="" deviation="" from="" calibration="" temperature<=""/>
Directivity (dB)46 (100 kHz to 10 MHz), 44 (10 MHz to 3 GHz), 38 (3 to 9 GHz)
Source Match (dB)43 (100 kHz to 10 MHz), 40 (10 MHz to 3 GHz), 36 (3 to 9 GHz
Load Match (dB)45 (100 kHz to 10 MHz), 44 (10 MHz to 3 GHz), 38 (3 to 9 GHz)
Reflection tracking (dB)± 0.006 (100 kHz to 10 MHz), ± 0.007 (10 MHz to 3 GHz), ± 0.010 (3 to 9 GHz)
Transmission tracking (dB)± 0.077 (100 kHz to 10 MHz), ± 0.040 (10 MHz to 3 GHz), ± 0.112 (3 to 9 GHz)
Test portsType-N, female, 50 Ω (nominal)
Damage level+26 dBm or ±35 VDC (warranted)
Display and resolution10.4-inch multi-touch screen LCD, XGA (1024 x 768)
Connectivity and compatibilityUSB, LAN (LXI-C), GPIB (IEEE 488.2), SCPI programming interface for remote control

Table 2: Key features and specifications of Keysight E5063A

Figure 3: Keysight ENA E5063A(Source)

Applications & use cases

  • RF Component Characterization: S-parameter measurements: VNAs excel at characterizing passive RF components like filters, cables, antennas, and connectors. They assess crucial parameters such as insertion loss, return loss, and VSWR, aiding design optimisation. Matching network design: VNAs are essential for designing matching networks, ensuring efficient signal transfer between different impedances in RF circuits. Engineers verify network effectiveness through S-parameter measurements, optimising signal transmission.
  • Device and Circuit Characterization: Transistor and amplifier testing: VNAs characterize transistor and amplifier behavior, measuring parameters like gain, bandwidth, and input/output impedance for performance optimisation. Microwave circuit analysis: VNAs analyze microwave circuit behavior, including filters, mixers, and power dividers, ensuring functionality and performance across frequency ranges.
  • Signal Integrity and EMI/EMC Testing: Cable and connector testing: VNAs assess cable and connector signal integrity, measuring insertion loss, return loss, and characteristic impedance to maintain signal fidelity. Identifying coupling and radiation issues: VNAs pinpoint unwanted coupling and radiation in circuits, aiding EMI detection and ensuring compliance with EMC regulations.
  • Advanced Applications: Material characterization: VNAs characterize material electrical properties at RF frequencies, guiding material selection and optimisation. Antenna measurements: VNAs measure antenna gain, radiation patterns, and impedance characteristics, which are crucial for antenna design and optimisation.
  • Research and Development: Device modeling and simulation: VNAs measure new RF device behavior for accurate circuit simulations, facilitating technology development and optimisation. Troubleshooting and debugging: VNAs identify signal integrity issues and component malfunctions in RF circuits, aiding in troubleshooting and debugging processes.

Apart from the products described above, do explore the range of keysight RF solutions;

ProductsDescriptionBuy link
Benchtop spectrum Analysers - KEYSIGHT TECHNOLOGIES N9000B / N9000B-503N9000B CXA X-Series Signal Analysers, Multi-touchBuy now
Handheld spectrum Analysers - KEYSIGHT TECHNOLOGIES N9935BFieldFox Handheld AnalysersBuy now
RF signal generator - KEYSIGHT TECHNOLOGIES N5166B / N5166B-503N5166B CXA RF Vector Signal GeneratorBuy now

Conclusion

All wireless solutions, from smartphones to Wi-Fi networks, connected cars, IoT devices, and high-frequency computer networks, rely on RF and microwave components. VNAs ensure the performance and interoperability of these components, thus playing a critical role. The integrated RF testing solutions provided by Keysight Technologies offer engineers the tools they need to master RF measurement. From RF power sensors for accurate power measurements to spectrum Analysers for signal analysis and VNAs for characterizing RF networks, Keysight's comprehensive portfolio empowers engineers to tackle the complexities of RF testing with confidence and efficiency. By seamlessly integrating these instruments into their testing setups, engineers can achieve precise measurements, optimise performance, and ensure the reliability of RF systems across various industries. As technology advances, Keysight leads the way, constantly innovating to address the ever-changing needs of RF testing and measurement.